航空用ヘッドセットの利用

 

 

これまで無線機付属のハンドマイクを使ってきたのですが、片手が常に塞がれる

不便さを感じていましたが、程度の良い航空用ヘッドセットをメルカリで安く

手に入れることができましたのでアマチュア無線機に使えるよう改造をして

みました。

 

屋内, テーブル, 座る, 小さい が含まれている画像

自動的に生成された説明

手に入れた航空用ヘッドセット。米ASA社のHS-1Aモデル。スペックシート

はこちら

 

航空用のヘッドセットはコネクタが特殊です。このヘッドセットも一見、標準の

ステレオプラグに見えるマイクプラグが特殊で、合うジャックをインターネット

で色々探しましたが、結局見つからず思い切ってコネクタをぶった切りました。

 

テーブル, 座る, 大きい, 板 が含まれている画像

自動的に生成された説明

ぶった切ったプラグ。左側がヘッドホン用の標準ステレオプラグ。右側がマイク

用の特殊プラグです。調べたところ5.2ミリという聞いたこともない規格です。

 

改造はマイクエレメントをいったん外した後、テスターで結線をあたって3.5ミリ

のステレオプラグに付け替えるだけです。付け替えたプラグの結線はアツデン社

製ヘッドセットに合わせました。

また、付け替えたプラグに合わせてFT-818のマイクコネクタの変換BOXを製作

しました。

 

製作した変換BOXFT-818 のマイクコネクタをネットワークケーブルを使って

8ピンマイクコネクタに変換。黄色いピンジャックはPTTコネクタ。二か所取り

付けてフットペダルにも対応させました。

 

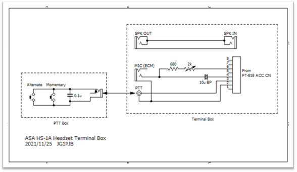
変換BOX内部。このヘッドセットは2線のコンデンサマイクなので無線機から

出ている5Vを抵抗を介してマイクに供給しています。

 

ダイアグラム

自動的に生成された説明

変換BOX回路図。マイクへの電源供給以外はただのコネクタ変換です。

 

テーブル, 木製, 水, 座る が含まれている画像

自動的に生成された説明

PTT BOX。タカチのダイキャストケースにプッシュスイッチを二個取り付け

ました。丸いほうは左手親指、四角いほうはロック付きで人差し指で操作です。

 

水, テーブル, 木製, 座る が含まれている画像

自動的に生成された説明

全体はこんな感じです。フットスイッチを使えば両手が完全に開放されます。

 

使った感じですが、少し重たいですがフィット感は高く、ヘッドホンは聞き易く、疲れず、マイクは小さめの声でもしっかりと変調がかかり素晴らしいです。

後から知ったことですが、航空用のヘッドセットはマイクエレメントが交換可能

でコンデンサマイク以外にもダイナミックマイクもあるようです。

コンデンサマイクは1016Vの高い電圧を供給しないといけないものもあるよう

ですので注意が必要なのと、ダイナミックマイクはインピーダンスが5オームと

150オームのものがあり外観上からは分かりづらいようなのでこれまた注意が

必要かと思います。

特に米軍払下げのDavid Clark社のヘッドセットなんかは気を付けたほうが良い

ようです。(新品マイクエレメントを買うこともできるようですが高い!)

 

 

戻る